
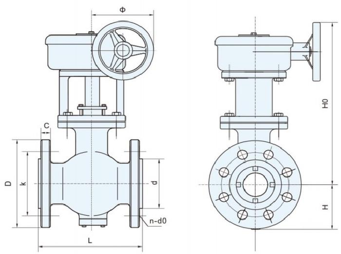
产品简介:法兰半球阀是一种结合法兰连接方式和半球形阀芯结构的工业阀门,主要用于控制气体、液体、蒸汽等介质的流量或截断。其核心组件包括半球形阀芯、阀体、法兰盘、密封件及执行机构
驱动方式:手动、电动、气动、液动
法兰半球阀介绍:
法兰半球阀是一种结合法兰连接方式和半球形阀芯结构的工业阀门,主要用于控制气体、液体、蒸汽等介质的流量或截断。其核心组件包括半球形阀芯、阀体、法兰盘、密封件及执行机构(手动、电动、气动或液动)
法兰半球阀工作原理:
通过阀杆驱动半球形阀芯旋转90°,实现阀门启闭。全开时,介质流道呈直通状态;关闭时,阀芯与阀座紧密贴合形成密封。部分型号采用偏心结构设计,启闭过程中阀芯与阀座短暂脱离,可有效剪切密封面上的结垢或粘连物,保持密封性能
法兰半球阀应用领域:
化工/石油:控制腐蚀性介质或易结晶溶液的流量28。
冶金/电力:高温蒸汽或粉尘气体输送系统35。
环保/制药:处理污水、高纯度流体及黏稠介质
产品参数:


